
ЧАО «Аркада», золотой партнер компании Autodesk, приглашает Вас принять участие в вебинаре, посвященном вопросам создания конструктором документации раздела КЖ в Autodesk Revit, и практике обмена и согласования проектной документации через облачную платформу BIM 360.

BIM проектирование подразумевает под собой создание трехмерной модели здания наполненной информацией, но проектировщики все еще должны создавать проектно-строительную документацию.
Autodesk Revit и BIM 360 Docs – надежные помощники конструктора для BIM-моделирования и выпуска проектно-строительной документации.
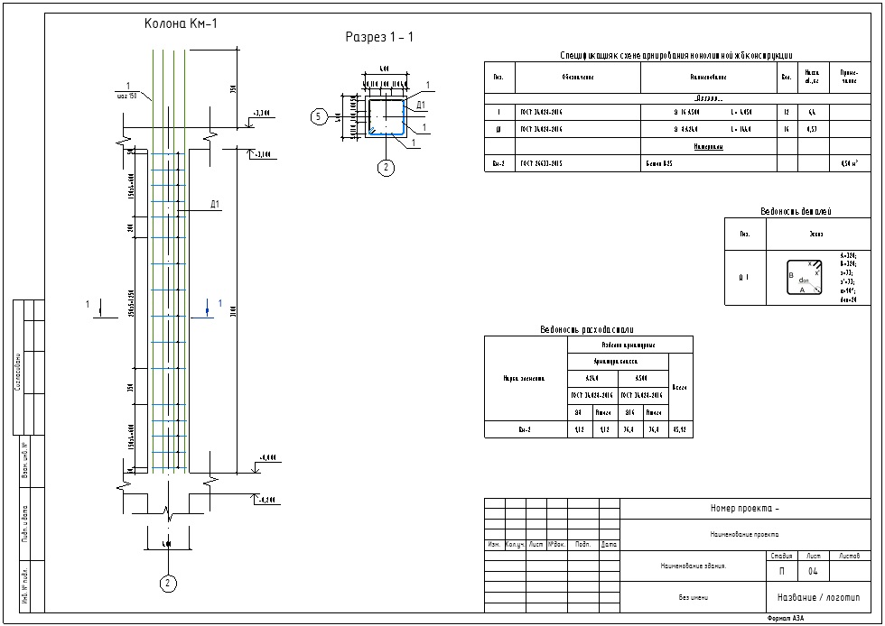
На нашем вебинаре мы продемонстрируем конструкторам как на основе шаблона ADSK_RU оформить схему размещения элементов и чертежа монолитной колоны, настроить и вынести на листы «Спецификацию к схеме размещения элементов», «Спецификацию на один монолитный железобетонный элемент», «Ведомость деталей» и «Ведомость расхода стали на элемент».
Данный шаблон ADSK_RU_ШаблонПроекта_КЖ_r2019_v1.2.rte помогает конструктору упростить и ускорить работу в Autodesk Revit и его можно скачать по ссылке http://surl.li/gpfe .
Также будут показаны способы выгрузки документации в облачную службу Autodesk BIM 360 Docs. Используя в своей работе платформу BIM 360 конструкторы могут обмениваться информацией как внутри проектной группы с архитекторами и инженерами, так и вне ее, передавая документацию службе заказчика и монтажно-строительным организациям на рассмотрение и согласование, оперативно получая замечания и корректировки.
Процесс обмена информацией проходит моментально и не требует разворачивания общих серверов и распечатку и отправку документации. Модели, чертежи, накладные, нормативные документы, задания на проектирование и т.д., находятся в облаке и любой из участников процесса проектирования, строительства и эксплуатации имеет доступ к документации из любой точки мира как с персонального ПК, так и с мобильного устройства.




Приглашаем конструкторов присоединиться к нашему мероприятию. По окончанию вебинара у Вас будет возможность задать вопросы нашим специалистам.
Ведущий и докладчик:

Яловенко Владимир Илькович
Участие в вебинаре бесплатное. После регистрации на Ваш e-mail будет выслано сообщение с инструкциями по участию в вебинаре.
Рады сообщить, что
АРКАДА примет участие XIX Международном промышленном форуме, который пройдет в Киеве с 24 по 27 ноября 2020 года. Приглашаем Вас посетить наш стенд, на котором будут представлены CAD/CAM/CAE-решения компаний Autodesk, Solidworks и Altair. В непрерывном режиме будет проводиться демонстрация возможностей CAD/CAM-систем для автоматизации программирования станков с ЧПУ: PowerMILL, FeatureCAM и MasterCAM.
До встречи в Киеве 24-27 ноября по адресу: Международный Выставочный Центр, Броварской проспект 15, ст. м. Левобережная.